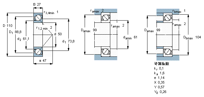
SKF 7310BEGAM尺寸参数
- 主要尺寸
- 7310 BEGAM *
- 50
- mm
- D
- 110
- mm
- B
- 27
- mm
- 基本额定载荷
- C
- 75000
- N
- 动载荷
- C0
- 51000
- N
- 静载荷
- 疲劳载荷极限
- Pu
- 2160
- N
- 额定转速
- 参考转速
- 8000
- r/min
- 极限转速
- 8000
- r/min
- 重量
- 重量
- 1160
- g
- 型号
- * SKF 探索者轴承
- 7310 BEGAM *
- -
SKF 7310BEGAM相关型号
| SKF型号 | 品牌 | 内径(mm) | 外径(mm) | 厚度(mm) |
| NUP310ECJ | SKF | 50 | 110 | 27 |
| 6310-2RS1 | SKF | 50 | 110 | 27 |
| 6310NR | SKF | 50 | 110 | 27 |
| 310-2Z | SKF | 50 | 110 | 27 |
| NUP310ECP | SKF | 50 | 110 | 27 |
| 6310-2Z/VA201 | SKF | 50 | 110 | 27 |
| 6310-2RS1/W64 | SKF | 50 | 110 | 27 |
| QJ310PHAS | SKF | 50 | 110 | 27 |
| 7310BECBM | SKF | 50 | 110 | 27 |
| 6310-2Z/VA228 | SKF | 50 | 110 | 27 |
| 6310N | SKF | 50 | 110 | 27 |
| 6310-Z/W64 | SKF | 50 | 110 | 27 |
| 6310-ZNR | SKF | 50 | 110 | 27 |
| 7310BECBJ | SKF | 50 | 110 | 27 |
| 6310-2Z/VA208 | SKF | 50 | 110 | 27 |
| 310 | SKF | 50 | 110 | 27 |
| NUP310ECML | SKF | 50 | 110 | 27 |
| NU310ECM | SKF | 50 | 110 | 27 |
| 6310-Z/W64 | SKF | 50 | 110 | 27 |
| 6310-2RS1/HC5C3WT | SKF | 50 | 110 | 27 |






