SKF NUP310ECP尺寸参数
- 主要尺寸
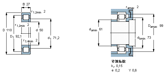
- d
- 50
- mm
- D
- 110
- mm
- B
- 27
- mm
- 基本额定载荷
- C
- 127000
- N
- 动载荷
- C0
- 112000
- N
- 静载荷
- 疲劳载荷极限
- Pu
- 15000
- N
- 额定转速
- 参考转速
- 6700
- r/min
- 极限转速
- 8000
- r/min
- 重量
- 重量
- 1200
- g
- 型号
- * SKF 探索者轴承
- NUP 310 ECP *
- -
- 角圈
- 型号
- -
- -
SKF NUP310ECP相关型号
| SKF型号 | 品牌 | 内径(mm) | 外径(mm) | 厚度(mm) |
| 310-ZNR | SKF | 50 | 110 | 27 |
| 7310BEGAF | SKF | 50 | 110 | 27 |
| 6310 | SKF | 50 | 110 | 27 |
| 7310BECBM | SKF | 50 | 110 | 27 |
| 7310BECBP | SKF | 50 | 110 | 27 |
| 7310BEGAY | SKF | 50 | 110 | 27 |
| NJ310ECJ | SKF | 50 | 110 | 27 |
| NUP310ECML | SKF | 50 | 110 | 27 |
| 6310-2RS1 | SKF | 50 | 110 | 27 |
| NJ310ECML | SKF | 50 | 110 | 27 |
| 6310-2RS1/W64 | SKF | 50 | 110 | 27 |
| 6310/VA201 | SKF | 50 | 110 | 27 |
| 6310-Z/W64 | SKF | 50 | 110 | 27 |
| NJ310ECP | SKF | 50 | 110 | 27 |
| NUP310ECJ | SKF | 50 | 110 | 27 |
| 6310-2Z/VA228 | SKF | 50 | 110 | 27 |
| QJ310MA | SKF | 50 | 110 | 27 |
| NU310ECJ | SKF | 50 | 110 | 27 |
| NJ310ECM | SKF | 50 | 110 | 27 |
| 6310-2RS1/HC5C3WT | SKF | 50 | 110 | 27 |






