SKF轴承 > 单列混合陶瓷深沟球轴承 > 6310-2RS1/HC5C3WT
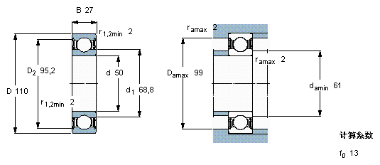
SKF 6310-2RS1/HC5C3WT尺寸参数
- 主要尺寸
- d
- 50
- mm
- D
- 110
- mm
- B
- 27
- mm
- 基本额定载荷
- C
- 65000
- N
- 动载荷
- C0
- 38000
- N
- 静载荷
- 疲劳载荷极限
- Pu
- 1600
- N
- 额定转速
- 参考转速
- 18000
- r/min
- 极限转速
- 4300
- r/min
- 重量
- 重量
- 920
- g
- 型号
- 型号
- 6310-2RS1/HC5C3WT
- -
SKF 6310-2RS1/HC5C3WT相关型号
| SKF型号 | 品牌 | 内径(mm) | 外径(mm) | 厚度(mm) |
| NU310ECML | SKF | 50 | 110 | 27 |
| 6310/VA201 | SKF | 50 | 110 | 27 |
| 310-2Z | SKF | 50 | 110 | 27 |
| 6310-2Z/VA228 | SKF | 50 | 110 | 27 |
| 6310-2ZNR | SKF | 50 | 110 | 27 |
| 7310BECBJ | SKF | 50 | 110 | 27 |
| 310NR | SKF | 50 | 110 | 27 |
| 6310-Z | SKF | 50 | 110 | 27 |
| 1726310-2RS1 | SKF | 50 | 110 | 27 |
| 7310BEGAY | SKF | 50 | 110 | 27 |
| 310-ZNR | SKF | 50 | 110 | 27 |
| NF310ECP | SKF | 50 | 110 | 27 |
| 7310BEGBY | SKF | 50 | 110 | 27 |
| 21310EK | SKF | 50 | 110 | 27 |
| N310ECM | SKF | 50 | 110 | 27 |
| 7310BEY | SKF | 50 | 110 | 27 |
| 6310-Z/W64 | SKF | 50 | 110 | 27 |
| 7310BEGAF | SKF | 50 | 110 | 27 |
| 1310ETN9 | SKF | 50 | 110 | 27 |
| 6310N | SKF | 50 | 110 | 27 |






