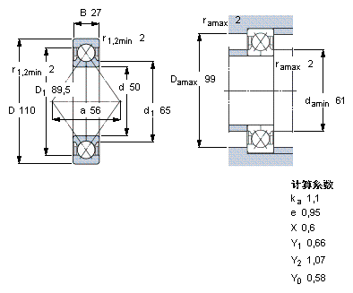
SKF QJ310PHAS尺寸参数
- 主要尺寸
- QJ 310 PHAS *
- 50
- mm
- D
- 110
- mm
- B
- 27
- mm
- 基本额定载荷
- C
- 118000
- N
- 动载荷
- C0
- 100000
- N
- 静载荷
- 疲劳载荷极限
- Pu
- 4250
- N
- 额定转速
- 参考转速
- 9000
- r/min
- 极限转速
- 11000
- r/min
- 重量
- 重量
- 1350
- g
- 型号
- * SKF 探索者轴承
- QJ 310 PHAS *
- -
SKF QJ310PHAS相关型号
| SKF型号 | 品牌 | 内径(mm) | 外径(mm) | 厚度(mm) |
| 310-ZNR | SKF | 50 | 110 | 27 |
| 6310-RS1 | SKF | 50 | 110 | 27 |
| 1726310-2RS1 | SKF | 50 | 110 | 27 |
| NJ310ECM | SKF | 50 | 110 | 27 |
| 6310-2Z/VA208 | SKF | 50 | 110 | 27 |
| NU310ECML | SKF | 50 | 110 | 27 |
| 6310NR | SKF | 50 | 110 | 27 |
| 7310BEP | SKF | 50 | 110 | 27 |
| NU310ECP | SKF | 50 | 110 | 27 |
| 310-2Z | SKF | 50 | 110 | 27 |
| 7310BEGBY | SKF | 50 | 110 | 27 |
| 6310-2Z/VA228 | SKF | 50 | 110 | 27 |
| QJ310MA | SKF | 50 | 110 | 27 |
| 7310BEGBP | SKF | 50 | 110 | 27 |
| E2.6310-2Z/C3 | SKF | 50 | 110 | 27 |
| QJ310PHAS | SKF | 50 | 110 | 27 |
| 6310/W64 | SKF | 50 | 110 | 27 |
| 21310EK | SKF | 50 | 110 | 27 |
| 7310BECBY | SKF | 50 | 110 | 27 |
| 6310/VA201 | SKF | 50 | 110 | 27 |






