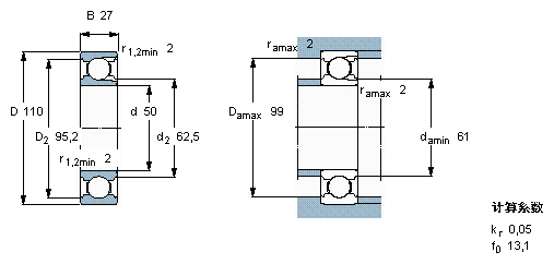
SKF 310尺寸参数
- 主要尺寸
- 310
- 50
- mm
- D
- 110
- mm
- B
- 27
- mm
- 基本额定载荷
- C
- 64400
- N
- 动载荷
- C0
- 52000
- N
- 静载荷
- 疲劳载荷极限
- Pu
- 2200
- N
- 额定转速
- 参考转速
- 11000
- r/min
- 极限转速
- 7000
- r/min
- 重量
- 重量
- 1150
- g
- 型号
- 型号
- 310
- -
SKF 310相关型号
| SKF型号 | 品牌 | 内径(mm) | 外径(mm) | 厚度(mm) |
| NU310ECJ | SKF | 50 | 110 | 27 |
| 6310-2Z/VA228 | SKF | 50 | 110 | 27 |
| NJ310ECP | SKF | 50 | 110 | 27 |
| NU310ECM | SKF | 50 | 110 | 27 |
| 6310-2RS1/W64 | SKF | 50 | 110 | 27 |
| 7310BEGBY | SKF | 50 | 110 | 27 |
| 6310-RS1 | SKF | 50 | 110 | 27 |
| N310ECP | SKF | 50 | 110 | 27 |
| 6310N | SKF | 50 | 110 | 27 |
| 7310BECBJ | SKF | 50 | 110 | 27 |
| 6310-2Z/VA201 | SKF | 50 | 110 | 27 |
| 21310EK | SKF | 50 | 110 | 27 |
| 21310E | SKF | 50 | 110 | 27 |
| 7310BEGAP | SKF | 50 | 110 | 27 |
| 6310-2Z/VA208 | SKF | 50 | 110 | 27 |
| NU310ECML | SKF | 50 | 110 | 27 |
| NUP310ECP | SKF | 50 | 110 | 27 |
| 6310-2Z | SKF | 50 | 110 | 27 |
| 6310-2Z/VA228 | SKF | 50 | 110 | 27 |
| NJ310ECM | SKF | 50 | 110 | 27 |






