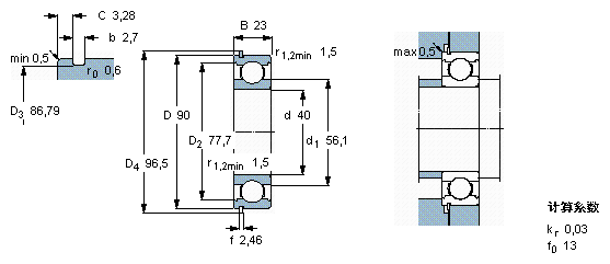
SKF 6308NR尺寸参数
- 主要尺寸
- 6308 NR *
- 40
- mm
- D
- 90
- mm
- B
- 23
- mm
- 基本额定载荷
- C
- 42300
- N
- 动载荷
- C0
- 24000
- N
- 静载荷
- 疲劳载荷极限
- Pu
- 1020
- N
- 额定转速
- 参考转速
- 17000
- r/min
- 极限转速
- 11000
- r/min
- 重量
- 重量
- 630
- g
- 型号
- * SKF 探索者轴承
- 6308 NR *
- -
- * SKF 探索者轴承
- SP 90
- -
SKF 6308NR相关型号
| SKF型号 | 品牌 | 内径(mm) | 外径(mm) | 厚度(mm) |
| 6308/VA201 | SKF | 40 | 90 | 23 |
| 6308-2RZ | SKF | 40 | 90 | 23 |
| BSA308C | SKF | 40 | 90 | 23 |
| 308-2Z | SKF | 40 | 90 | 23 |
| 6308-2Z/VA228 | SKF | 40 | 90 | 23 |
| 308-Z | SKF | 40 | 90 | 23 |
| NU308ECP | SKF | 40 | 90 | 23 |
| 7308BEGBY | SKF | 40 | 90 | 23 |
| 6308-2Z | SKF | 40 | 90 | 23 |
| 308-ZNR | SKF | 40 | 90 | 23 |
| 308 | SKF | 40 | 90 | 23 |
| 6308/HR22T2 | SKF | 40 | 90 | 23 |
| 6308-2ZNR | SKF | 40 | 90 | 23 |
| 1308EKTN9 | SKF | 40 | 90 | 23 |
| NF308ECP | SKF | 40 | 90 | 23 |
| 6308-Z | SKF | 40 | 90 | 23 |
| 7308BEGBM | SKF | 40 | 90 | 23 |
| 6308-Z/W64 | SKF | 40 | 90 | 23 |
| 7308BEP | SKF | 40 | 90 | 23 |
| E2.6308-2Z/C3 | SKF | 40 | 90 | 23 |






