SKF 1308EKTN9尺寸参数
- 主要尺寸
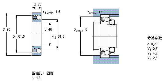
- 1308 EKTN9
- 40
- mm
- D
- 90
- mm
- B
- 23
- mm
- 基本额定载荷
- C
- 33800
- N
- 动载荷
- C0
- 11200
- N
- 静载荷
- 疲劳载荷极限
- Pu
- 570
- N
- 额定转速
- 参考转速
- 14000
- r/min
- 极限转速
- 9500
- r/min
- 重量
- 重量
- 680
- g
- 型号
- 型号
- 1308 EKTN9
- -
SKF 1308EKTN9相关型号
| SKF型号 | 品牌 | 内径(mm) | 外径(mm) | 厚度(mm) |
| 6308/W64 | SKF | 40 | 90 | 23 |
| 6308-2Z | SKF | 40 | 90 | 23 |
| 7308BEGAM | SKF | 40 | 90 | 23 |
| NU308ECJ | SKF | 40 | 90 | 23 |
| 308-2Z | SKF | 40 | 90 | 23 |
| 6308-2RS1 | SKF | 40 | 90 | 23 |
| 7308BEY | SKF | 40 | 90 | 23 |
| QJ308MA | SKF | 40 | 90 | 23 |
| 6308-2RS1/W64 | SKF | 40 | 90 | 23 |
| 7308BECBJ | SKF | 40 | 90 | 23 |
| 6308-ZNR | SKF | 40 | 90 | 23 |
| NUP308ECML | SKF | 40 | 90 | 23 |
| NJ308ECP | SKF | 40 | 90 | 23 |
| 1726308-2RS1 | SKF | 40 | 90 | 23 |
| 6308-Z/W64 | SKF | 40 | 90 | 23 |
| 6308-2RZ | SKF | 40 | 90 | 23 |
| 7308BECBP | SKF | 40 | 90 | 23 |
| 6308-2ZNR | SKF | 40 | 90 | 23 |
| 7308BEGAF | SKF | 40 | 90 | 23 |
| 1308ETN9 | SKF | 40 | 90 | 23 |






