SKF 6308-Z尺寸参数
- 主要尺寸
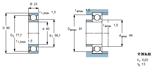
- 6308-Z *
- 40
- mm
 
- D
- 90
- mm
 
- B
- 23
- mm
 
- 基本额定载荷
- C
- 42300
- N
- 动载荷
 
- C0
- 24000
- N
- 静载荷
 
- 疲劳载荷极限
- Pu
- 1020
- N
 
- 额定转速
- 参考转速
- 17000
- r/min
 
- 极限转速
- 11000
- r/min
 
- 重量
- 重量
- 630
- g
 
- 型号
- * SKF 探索者轴承
- 6308-Z *
- -
 
SKF  6308-Z相关型号
| SKF型号 | 品牌 | 内径(mm) | 外径(mm) | 厚度(mm) | 
| 308-Z | SKF | 40 | 90 | 23 | 
| 7308BECBPH | SKF | 40 | 90 | 23 | 
| 6308-2RS1/W64 | SKF | 40 | 90 | 23 | 
| BSA308C | SKF | 40 | 90 | 23 | 
| NU308ECP | SKF | 40 | 90 | 23 | 
| 6308-2Z/VA201 | SKF | 40 | 90 | 23 | 
| 6308-2ZNR | SKF | 40 | 90 | 23 | 
| 6308-2Z/VA201 | SKF | 40 | 90 | 23 | 
| 7308BECBY | SKF | 40 | 90 | 23 | 
| NU308ECML | SKF | 40 | 90 | 23 | 
| N308ECM | SKF | 40 | 90 | 23 | 
| NJ308ECP | SKF | 40 | 90 | 23 | 
| NU308ECJ | SKF | 40 | 90 | 23 | 
| 7308BEGBY | SKF | 40 | 90 | 23 | 
| 21308E | SKF | 40 | 90 | 23 | 
| 6308/HR22Q2 | SKF | 40 | 90 | 23 | 
| 7308BEGBP | SKF | 40 | 90 | 23 | 
| 6308-Z/W64 | SKF | 40 | 90 | 23 | 
| 6308-RZ | SKF | 40 | 90 | 23 | 
| 6308-ZNR | SKF | 40 | 90 | 23 | 






 
					