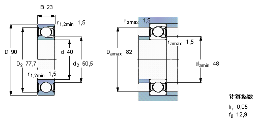
SKF 308-2Z尺寸参数
- 主要尺寸
- 308-2Z
- 40
- mm
- D
- 90
- mm
- B
- 23
- mm
- 基本额定载荷
- C
- 46800
- N
- 动载荷
- C0
- 36000
- N
- 静载荷
- 疲劳载荷极限
- Pu
- 1530
- N
- 额定转速
- 参考转速
- 14000
- r/min
- 极限转速
- 7000
- r/min
- 重量
- 重量
- 640
- g
- 型号
- 型号
- 308-2Z
- -
SKF 308-2Z相关型号
| SKF型号 | 品牌 | 内径(mm) | 外径(mm) | 厚度(mm) |
| 6308NR | SKF | 40 | 90 | 23 |
| NJ308ECML | SKF | 40 | 90 | 23 |
| 7308BECBM | SKF | 40 | 90 | 23 |
| NJ308ECJ | SKF | 40 | 90 | 23 |
| E2.6308-2Z/C3 | SKF | 40 | 90 | 23 |
| NUP308ECM | SKF | 40 | 90 | 23 |
| 21308EK | SKF | 40 | 90 | 23 |
| 7308BEGAM | SKF | 40 | 90 | 23 |
| 7308BECBP | SKF | 40 | 90 | 23 |
| 6308-2Z/VA228 | SKF | 40 | 90 | 23 |
| NJ308ECM | SKF | 40 | 90 | 23 |
| 7308BECBPH | SKF | 40 | 90 | 23 |
| 7308BEGAP | SKF | 40 | 90 | 23 |
| 7308BECAP | SKF | 40 | 90 | 23 |
| QJ308MA | SKF | 40 | 90 | 23 |
| 6308-2RS1 | SKF | 40 | 90 | 23 |
| 6308-2Z/VA228 | SKF | 40 | 90 | 23 |
| NJ308ECP | SKF | 40 | 90 | 23 |
| 6308 | SKF | 40 | 90 | 23 |
| 6308-Z/W64 | SKF | 40 | 90 | 23 |






