SKF 6310尺寸参数
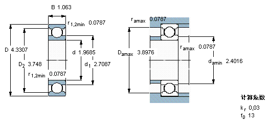
- 主要尺寸
- 6310 *
- 50
- mm
- D
- 110
- mm
- B
- 27
- mm
- 基本额定载荷
- C
- 65000
- N
- 动载荷
- C0
- 38000
- N
- 静载荷
- 疲劳载荷极限
- Pu
- 1600
- N
- 额定转速
- 参考转速
- 13000
- r/min
- 极限转速
- 8500
- r/min
- 重量
- 重量
- 1050
- g
- 型号
- * SKF 探索者轴承
- 6310 *
- -
SKF 6310相关型号
| SKF型号 | 品牌 | 内径(mm) | 外径(mm) | 厚度(mm) |
| 1310EKTN9 | SKF | 50 | 110 | 27 |
| 21310E | SKF | 50 | 110 | 27 |
| 6310/W64 | SKF | 50 | 110 | 27 |
| 310NR | SKF | 50 | 110 | 27 |
| NU310ECM | SKF | 50 | 110 | 27 |
| 7310BEGAF | SKF | 50 | 110 | 27 |
| 310-2ZNR | SKF | 50 | 110 | 27 |
| 6310-Z/W64 | SKF | 50 | 110 | 27 |
| 7310BEGAM | SKF | 50 | 110 | 27 |
| NUP310ECP | SKF | 50 | 110 | 27 |
| 6310-Z/W64 | SKF | 50 | 110 | 27 |
| NF310ECP | SKF | 50 | 110 | 27 |
| 6310-2RS1/W64 | SKF | 50 | 110 | 27 |
| 7310BECBP | SKF | 50 | 110 | 27 |
| 6310-ZNR | SKF | 50 | 110 | 27 |
| NU310ECJ | SKF | 50 | 110 | 27 |
| E2.6310-2Z/C3 | SKF | 50 | 110 | 27 |
| 6310-2ZNR | SKF | 50 | 110 | 27 |
| 7310BEP | SKF | 50 | 110 | 27 |
| 6310-2Z/VA201 | SKF | 50 | 110 | 27 |






