SKF轴承 > 单列圆柱滚子轴承 > NUP215ECML
SKF NUP215ECML尺寸参数
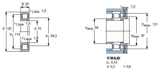
- 主要尺寸
- d
- 75
- mm
- D
- 130
- mm
- B
- 25
- mm
- 基本额定载荷
- C
- 150000
- N
- 动载荷
- C0
- 156000
- N
- 静载荷
- 疲劳载荷极限
- Pu
- 20400
- N
- 额定转速
- 参考转速
- 5600
- r/min
- 极限转速
- 9500
- r/min
- 重量
- 重量
- 1300
- g
- 型号
- * SKF 探索者轴承
- NUP 215 ECML *
- -
- 角圈
- 型号
- -
- -
SKF NUP215ECML相关型号
| SKF型号 | 品牌 | 内径(mm) | 外径(mm) | 厚度(mm) |
| 7215ACD/P4A | SKF | 75 | 130 | 25 |
| 215-2Z | SKF | 75 | 130 | 25 |
| 6215/VA201 | SKF | 75 | 130 | 25 |
| NUP215ECM | SKF | 75 | 130 | 25 |
| 6215/W64 | SKF | 75 | 130 | 25 |
| 7215BECBM | SKF | 75 | 130 | 25 |
| NU215ECJ | SKF | 75 | 130 | 25 |
| NU215ECP | SKF | 75 | 130 | 25 |
| S7215ACD/P4A | SKF | 75 | 130 | 25 |
| NU215ECM | SKF | 75 | 130 | 25 |
| QJ215N2MA | SKF | 75 | 130 | 25 |
| 6215-2Z/VA201 | SKF | 75 | 130 | 25 |
| BSA215C | SKF | 75 | 130 | 25 |
| 6215-2RS1/HC5C3WT | SKF | 75 | 130 | 25 |
| 6215/W64 | SKF | 75 | 130 | 25 |
| 7215BECBP | SKF | 75 | 130 | 25 |
| 215-Z | SKF | 75 | 130 | 25 |
| S7215ACD/HCP4A | SKF | 75 | 130 | 25 |
| 215-ZNR | SKF | 75 | 130 | 25 |
| 6215NR | SKF | 75 | 130 | 25 |






