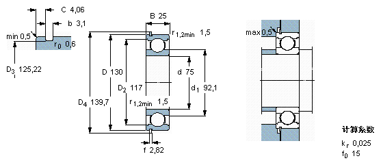
SKF 6215NR尺寸参数
- 主要尺寸
- 6215 NR *
- 75
- mm
- D
- 130
- mm
- B
- 25
- mm
- 基本额定载荷
- C
- 68900
- N
- 动载荷
- C0
- 49000
- N
- 静载荷
- 疲劳载荷极限
- Pu
- 2040
- N
- 额定转速
- 参考转速
- 10000
- r/min
- 极限转速
- 6700
- r/min
- 重量
- 重量
- 1200
- g
- 型号
- * SKF 探索者轴承
- 6215 NR *
- -
- * SKF 探索者轴承
- SP 130
- -
SKF 6215NR相关型号
| SKF型号 | 品牌 | 内径(mm) | 外径(mm) | 厚度(mm) |
| NUP215ECM | SKF | 75 | 130 | 25 |
| NJ215ECM | SKF | 75 | 130 | 25 |
| QJ215N2PHAS | SKF | 75 | 130 | 25 |
| S7215ACD/P4A | SKF | 75 | 130 | 25 |
| BSA215C | SKF | 75 | 130 | 25 |
| S7215ACD/HCP4A | SKF | 75 | 130 | 25 |
| 215-ZNR | SKF | 75 | 130 | 25 |
| 6215-Z/W64 | SKF | 75 | 130 | 25 |
| 7215BECBP | SKF | 75 | 130 | 25 |
| 6215-2RS1/W64 | SKF | 75 | 130 | 25 |
| 7215BECBM | SKF | 75 | 130 | 25 |
| S7215CD/P4A | SKF | 75 | 130 | 25 |
| 6215-RS1 | SKF | 75 | 130 | 25 |
| NU215ECJ | SKF | 75 | 130 | 25 |
| NUP215ECP | SKF | 75 | 130 | 25 |
| 6215NR | SKF | 75 | 130 | 25 |
| 6215/VA201 | SKF | 75 | 130 | 25 |
| 6215 | SKF | 75 | 130 | 25 |
| 215 | SKF | 75 | 130 | 25 |
| 215-2ZNR | SKF | 75 | 130 | 25 |






