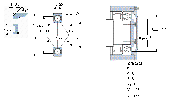
SKF QJ215N2MA尺寸参数
- 主要尺寸
- QJ 215 N2MA *
- 75
- mm
- D
- 130
- mm
- B
- 25
- mm
- 基本额定载荷
- C
- 125000
- N
- 动载荷
- C0
- 132000
- N
- 静载荷
- 疲劳载荷极限
- Pu
- 5600
- N
- 额定转速
- 参考转速
- 6300
- r/min
- 极限转速
- 8500
- r/min
- 重量
- 重量
- 1450
- g
- 型号
- * SKF 探索者轴承
- QJ 215 N2MA *
- -
SKF QJ215N2MA相关型号
| SKF型号 | 品牌 | 内径(mm) | 外径(mm) | 厚度(mm) |
| 1215K | SKF | 75 | 130 | 25 |
| 6215-2Z/VA208 | SKF | 75 | 130 | 25 |
| NUP215ECJ | SKF | 75 | 130 | 25 |
| 6215/C3VL0241 | SKF | 75 | 130 | 25 |
| 6215-Z | SKF | 75 | 130 | 25 |
| NU215ECJ | SKF | 75 | 130 | 25 |
| 6215-Z/W64 | SKF | 75 | 130 | 25 |
| NU215ECML | SKF | 75 | 130 | 25 |
| 7215BEP | SKF | 75 | 130 | 25 |
| 6215-2Z | SKF | 75 | 130 | 25 |
| 7215BECBY | SKF | 75 | 130 | 25 |
| NJ215ECJ | SKF | 75 | 130 | 25 |
| 215-Z | SKF | 75 | 130 | 25 |
| 6215/W64 | SKF | 75 | 130 | 25 |
| 7215ACD/HCP4A | SKF | 75 | 130 | 25 |
| BSA215C | SKF | 75 | 130 | 25 |
| 215NR | SKF | 75 | 130 | 25 |
| 6215/W64 | SKF | 75 | 130 | 25 |
| NU215ECP | SKF | 75 | 130 | 25 |
| S7215ACD/P4A | SKF | 75 | 130 | 25 |






