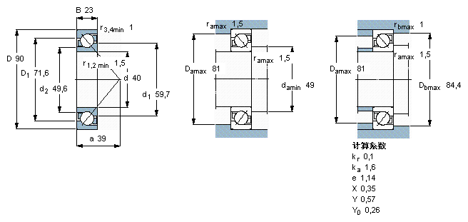
SKF 7308BEGBP尺寸参数
- 主要尺寸
- 7308 BEGBP *
- 40
- mm
 
- D
- 90
- mm
 
- B
- 23
- mm
 
- 基本额定载荷
- C
- 50000
- N
- 动载荷
 
- C0
- 32500
- N
- 静载荷
 
- 疲劳载荷极限
- Pu
- 1370
- N
 
- 额定转速
- 参考转速
- 10000
- r/min
 
- 极限转速
- 10000
- r/min
 
- 重量
- 重量
- 610
- g
 
- 型号
- * SKF 探索者轴承
- 7308 BEGBP *
- -
 
SKF  7308BEGBP相关型号
| SKF型号 | 品牌 | 内径(mm) | 外径(mm) | 厚度(mm) | 
| 6308-2RS1 | SKF | 40 | 90 | 23 | 
| 1308EM | SKF | 40 | 90 | 23 | 
| NJ308ECP | SKF | 40 | 90 | 23 | 
| 6308-Z/W64 | SKF | 40 | 90 | 23 | 
| NJ308ECM | SKF | 40 | 90 | 23 | 
| NU308ECP | SKF | 40 | 90 | 23 | 
| E2.6308-2Z/C3 | SKF | 40 | 90 | 23 | 
| 7308BECBM | SKF | 40 | 90 | 23 | 
| 7308BECBPH | SKF | 40 | 90 | 23 | 
| 6308-2RS1/W64 | SKF | 40 | 90 | 23 | 
| 7308BECBY | SKF | 40 | 90 | 23 | 
| BSA308C | SKF | 40 | 90 | 23 | 
| 7308BEGAF | SKF | 40 | 90 | 23 | 
| 7308BECAP | SKF | 40 | 90 | 23 | 
| 6308-RZ | SKF | 40 | 90 | 23 | 
| 308 | SKF | 40 | 90 | 23 | 
| 6308/HR22Q2 | SKF | 40 | 90 | 23 | 
| 6308NR | SKF | 40 | 90 | 23 | 
| 7308BECBP | SKF | 40 | 90 | 23 | 
| 7308BEP | SKF | 40 | 90 | 23 | 






 
					