SKF 21308E尺寸参数
- 主要尺寸
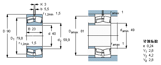
- d
- 40
- mm
- D
- 90
- mm
- B
- 23
- mm
- 基本额定载荷
- C
- 104000
- N
- 动载荷
- C0
- 108000
- N
- 静载荷
- 疲劳载荷极限
- Pu
- 11800
- N
- 额定转速
- 参考转速
- 7000
- r/min
- 极限转速
- 9500
- r/min
- 重量
- 重量
- 750
- g
- 型号
- * SKF 探索者轴承
- 21308 E *
- -
SKF 21308E相关型号
| SKF型号 | 品牌 | 内径(mm) | 外径(mm) | 厚度(mm) |
| 6308/HR11QN | SKF | 40 | 90 | 23 |
| E2.6308-2Z/C3 | SKF | 40 | 90 | 23 |
| 7308BEGAP | SKF | 40 | 90 | 23 |
| 7308BECAP | SKF | 40 | 90 | 23 |
| NUP308ECP | SKF | 40 | 90 | 23 |
| 6308-2RS1/W64 | SKF | 40 | 90 | 23 |
| NUP308ECM | SKF | 40 | 90 | 23 |
| 6308-Z/W64 | SKF | 40 | 90 | 23 |
| 7308BEGAF | SKF | 40 | 90 | 23 |
| QJ308MA | SKF | 40 | 90 | 23 |
| 6308-RS1 | SKF | 40 | 90 | 23 |
| 7308BECCY | SKF | 40 | 90 | 23 |
| 7308BECBM | SKF | 40 | 90 | 23 |
| 6308-2Z/VA228 | SKF | 40 | 90 | 23 |
| 308-Z | SKF | 40 | 90 | 23 |
| 308 | SKF | 40 | 90 | 23 |
| 308-2ZNR | SKF | 40 | 90 | 23 |
| BSA308C | SKF | 40 | 90 | 23 |
| 7308BECBP | SKF | 40 | 90 | 23 |
| 6308-2Z/VA201 | SKF | 40 | 90 | 23 |






