SKF轴承 > 固态油单列深沟球轴承 > 6215-2RS1/W64
SKF 6215-2RS1/W64尺寸参数
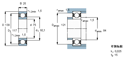
- 主要尺寸
- d
- 75
- mm
- D
- 130
- mm
- B
- 25
- mm
- 基本额定载荷
- C
- 68900
- N
- 动载荷
- C0
- 49000
- N
- 静载荷
- 疲劳载荷极限
- Pu
- 2040
- N
- 极限转速
- 极限转速
- 2300
- r/min
- 重量
- 重量
- 1200
- g
- 型号
- * SKF 探索者轴承
- 6215-2RS1/W64 *
- -
SKF 6215-2RS1/W64相关型号
| SKF型号 | 品牌 | 内径(mm) | 外径(mm) | 厚度(mm) |
| 7215CD/P4A | SKF | 75 | 130 | 25 |
| S7215ACD/P4A | SKF | 75 | 130 | 25 |
| 1215 | SKF | 75 | 130 | 25 |
| 6215 | SKF | 75 | 130 | 25 |
| NUP215ECML | SKF | 75 | 130 | 25 |
| 215NR | SKF | 75 | 130 | 25 |
| 215-Z | SKF | 75 | 130 | 25 |
| NJ215ECML | SKF | 75 | 130 | 25 |
| NJ215ECM | SKF | 75 | 130 | 25 |
| 215-ZNR | SKF | 75 | 130 | 25 |
| 6215-2Z/VA201 | SKF | 75 | 130 | 25 |
| NU215ECM | SKF | 75 | 130 | 25 |
| S7215CD/HCP4A | SKF | 75 | 130 | 25 |
| 6215/W64 | SKF | 75 | 130 | 25 |
| 7215BEP | SKF | 75 | 130 | 25 |
| NUP215ECJ | SKF | 75 | 130 | 25 |
| 6215-Z | SKF | 75 | 130 | 25 |
| QJ215N2MA | SKF | 75 | 130 | 25 |
| 6215/VA201 | SKF | 75 | 130 | 25 |
| BSA215C | SKF | 75 | 130 | 25 |






