SKF 215尺寸参数
- 主要尺寸
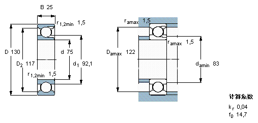
- 215
- 75
- mm
- D
- 130
- mm
- B
- 25
- mm
- 基本额定载荷
- C
- 72100
- N
- 动载荷
- C0
- 72000
- N
- 静载荷
- 疲劳载荷极限
- Pu
- 3000
- N
- 额定转速
- 参考转速
- 9000
- r/min
- 极限转速
- 5600
- r/min
- 重量
- 重量
- 1250
- g
- 型号
- 型号
- 215
- -
SKF 215相关型号
| SKF型号 | 品牌 | 内径(mm) | 外径(mm) | 厚度(mm) |
| 7215BECBY | SKF | 75 | 130 | 25 |
| NJ215ECM | SKF | 75 | 130 | 25 |
| QJ215N2MA | SKF | 75 | 130 | 25 |
| 6215-2RS1 | SKF | 75 | 130 | 25 |
| 6215-2Z/VA228 | SKF | 75 | 130 | 25 |
| NUP215ECM | SKF | 75 | 130 | 25 |
| 6215-Z/W64 | SKF | 75 | 130 | 25 |
| 7215CD/P4A | SKF | 75 | 130 | 25 |
| 7215BECBP | SKF | 75 | 130 | 25 |
| S7215CD/P4A | SKF | 75 | 130 | 25 |
| 215-2ZNR | SKF | 75 | 130 | 25 |
| 7215ACD/P4A | SKF | 75 | 130 | 25 |
| 6215/VA201 | SKF | 75 | 130 | 25 |
| 6215/W64 | SKF | 75 | 130 | 25 |
| 6215-Z | SKF | 75 | 130 | 25 |
| 6215-RS1 | SKF | 75 | 130 | 25 |
| NUP215ECML | SKF | 75 | 130 | 25 |
| 6215/C3VL0241 | SKF | 75 | 130 | 25 |
| S7215ACD/HCP4A | SKF | 75 | 130 | 25 |
| 215 | SKF | 75 | 130 | 25 |






