SKF 1999VER尺寸参数
- 主要尺寸
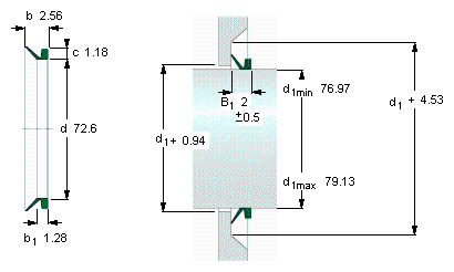
- d1从-到
- 1955.04-2009.9
- mm
- 从
- 1844.04
- mm
- b1
- 32.51
- mm
- b
- 65.02
- mm
- c
- 29.97
- mm
- 说明
- 设计
- VR4/VE
- -
- 密封唇材料
- R
- -
- 型号
- 全球有效
- 1999 VE R
- -
- 说明
- 北美市场
- 419993
- -
- **请核查供货情况
- -
SKF 1999VER相关型号
| SKF型号 | 品牌 | 内径(mm) | 外径(mm) | 厚度(mm) |
| 73720 | SKF | |||
| 11171 | SKF | |||
| 1100VLV | SKF | |||
| 40X62X6HMSA10V | SKF | |||
| FY15/16TF/AH | SKF | |||
| 320X350X16HDS1R | SKF | |||
| 35X54X8CRW1V | SKF | |||
| 6130 | SKF | |||
| SYE2.3/4H | SKF | |||
| 11544 | SKF | |||
| TUJ20TF | SKF | |||
| 48X68X10HMS5RG | SKF | |||
| 22336 | SKF | |||
| 30x62x7HMSA10V | SKF | |||
| 150X180X15HMSA10RG | SKF | |||
| 22328CCK/W33 | SKF | |||
| 12x22x5HMSA10RG | SKF | |||
| 1300252 | SKF | |||
| SNL3188GL | SKF | |||
| 90065 | SKF |






