SKF 1100VLV尺寸参数
- 主要尺寸
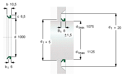
- d1从-到
- 1075-1125
- mm
- 从
- 1000
- mm
- b1
- 6
- mm
- b
- 10.5
- mm
- c
- 6.5
- mm
- 说明
- 设计
- VR3/VL
- -
- 密封唇材料
- V
- -
- 型号
- 全球有效
- 1100 VL V
- -
- 说明
- 北美市场
- 411006
- -
- **请核查供货情况
- -
SKF 1100VLV相关型号
| SKF型号 | 品牌 | 内径(mm) | 外径(mm) | 厚度(mm) |
| C3040K | SKF | |||
| 86269 | SKF | |||
| SHT90 | SKF | |||
| TU13/16WF | SKF | |||
| SYE3NH-118 | SKF | |||
| 22330CCK/W33 | SKF | |||
| FYRP2.3/4-3 | SKF | |||
| 29906 | SKF | |||
| 25x35x6HMS5V | SKF | |||
| 12456 | SKF | |||
| 99826 | SKF | |||
| KD10-354 | SKF | |||
| OKBS122 | SKF | |||
| FYR4-3 | SKF | |||
| 22VAV | SKF | |||
| PFD1.1/4FM | SKF | |||
| 63X85X8CRW1R | SKF | |||
| 26X34X4HM4R | SKF | |||
| FY1.15/16TF/VA201 | SKF | |||
| SNL3036 | SKF |






