SKF轴承 > 需维护的阴螺纹钢对铜杆端关节轴承 > SIKAC16M/VZ019
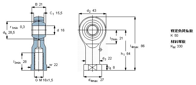
SKF SIKAC16M/VZ019尺寸参数
- 主要尺寸
- d
- 16
- mm
- 最大
- 43
- mm
- B
- 21
- mm
- 6H
- M 16x1,5
- mm
- 最大
- 15.5
- mm
- h1
- 64
- mm
- 倾斜角
- 倾斜角
- 15
- 度
- 基本额定载荷
- C
- 21600
- N
- 动载荷
- C0
- 29000
- N
- 静载荷
- 重量
- 重量
- 230
- g
- 型号
- 带右或左螺纹的杆端关节轴承
- SIKAC 16 M/VZ019
- -
SKF SIKAC16M/VZ019相关型号
| SKF型号 | 品牌 | 内径(mm) | 外径(mm) | 厚度(mm) |
| SILKAC16M | SKF | 16 | 43 | 21 |
| SIKB16F | SKF | 16 | 43 | 21 |
| SIKAC16M | SKF | 16 | 43 | 21 |
| SALKB16F | SKF | 16 | 43 | 21 |
| SIKB16F/VZ019 | SKF | 16 | 43 | 21 |
| SAKAC16M | SKF | 16 | 43 | 21 |
| SIKAC16M/VZ019 | SKF | 16 | 43 | 21 |
| SALKAC16M | SKF | 16 | 43 | 21 |
| SILKB16F | SKF | 16 | 43 | 21 |
| SAKB16F | SKF | 16 | 43 | 21 |






