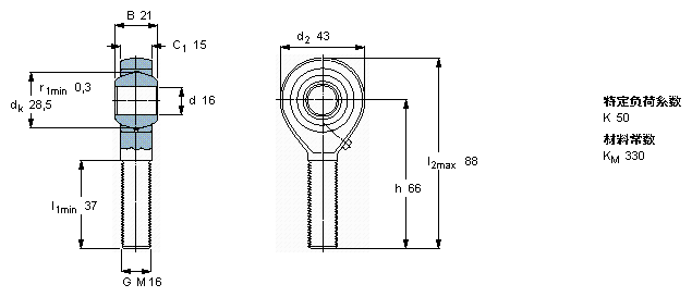
SKF SALKAC16M尺寸参数
- 主要尺寸
- d
- 16
- mm
- 最大
- 43
- mm
- B
- 21
- mm
- 6g
- M 16
- mm
- 最大
- 15
- mm
- h
- 66
- mm
- 倾斜角
- 倾斜角
- 16
- 度
- 基本额定载荷
- C
- 21600
- N
- 动载荷
- C0
- 23200
- N
- 静载荷
- 重量
- 重量
- 210
- g
- 型号
- 带右或左螺纹的杆端关节轴承
- SALKAC 16 M
- -
SKF SALKAC16M相关型号
| SKF型号 | 品牌 | 内径(mm) | 外径(mm) | 厚度(mm) |
| SALKB16F | SKF | 16 | 43 | 21 |
| SALKAC16M | SKF | 16 | 43 | 21 |
| SIKB16F | SKF | 16 | 43 | 21 |
| SILKB16F | SKF | 16 | 43 | 21 |
| SILKAC16M | SKF | 16 | 43 | 21 |
| SIKB16F/VZ019 | SKF | 16 | 43 | 21 |
| SAKB16F | SKF | 16 | 43 | 21 |
| SAKAC16M | SKF | 16 | 43 | 21 |
| SIKAC16M/VZ019 | SKF | 16 | 43 | 21 |
| SIKAC16M | SKF | 16 | 43 | 21 |






