SKF轴承 > 单列圆柱滚子轴承 > NUP2205ECP
SKF NUP2205ECP尺寸参数
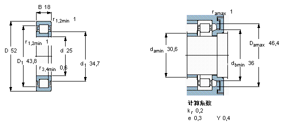
- 主要尺寸
- NUP 2205 ECP
- 25
- mm
- D
- 52
- mm
- B
- 18
- mm
- 基本额定载荷
- C
- 34100
- N
- 动载荷
- C0
- 34000
- N
- 静载荷
- 疲劳载荷极限
- Pu
- 4250
- N
- 额定转速
- 参考转速
- 14000
- r/min
- 极限转速
- 16000
- r/min
- 重量
- 重量
- 170
- g
- 型号
- * SKF 探索者轴承
- NUP 2205 ECP
- -
- 角圈
- 型号
- -
- -
SKF NUP2205ECP相关型号
| SKF型号 | 品牌 | 内径(mm) | 外径(mm) | 厚度(mm) |
| 22205EK | SKF | 25 | 52 | 18 |
| C2205V | SKF | 25 | 52 | 18 |
| NU2205ECP | SKF | 25 | 52 | 18 |
| 22205E | SKF | 25 | 52 | 18 |
| 51305V/HR22Q2 | SKF | 25 | 52 | 18 |
| 51305 | SKF | 25 | 52 | 18 |
| 22205E/W64 | SKF | 25 | 52 | 18 |
| NU2205ECML | SKF | 25 | 52 | 18 |
| 22205E/W64 | SKF | 25 | 52 | 18 |
| NUP2205ECP | SKF | 25 | 52 | 18 |
| 62205-2RS1/W64 | SKF | 25 | 52 | 18 |
| 2205E-2RS1TN9/W64 | SKF | 25 | 52 | 18 |
| C2205KV | SKF | 25 | 52 | 18 |
| 62205-2RS1/W64 | SKF | 25 | 52 | 18 |
| 2205EKTN9 | SKF | 25 | 52 | 18 |
| NJ2205ECP | SKF | 25 | 52 | 18 |
| 2205E-2RS1TN9 | SKF | 25 | 52 | 18 |
| 51305V/HR22T2 | SKF | 25 | 52 | 18 |
| 4205ATN9 | SKF | 25 | 52 | 18 |
| 62205-2RS1 | SKF | 25 | 52 | 18 |






