SKF 4205ATN9尺寸参数
- 主要尺寸
- 4205 ATN9
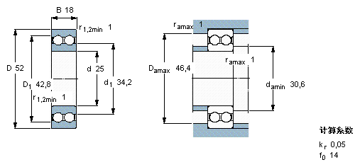
- 25
- mm
- D
- 52
- mm
- B
- 18
- mm
- 基本额定载荷
- C
- 19000
- N
- 动载荷
- C0
- 14600
- N
- 静载荷
- 疲劳载荷极限
- Pu
- 620
- N
- 额定转速
- 参考转速
- 20000
- r/min
- 极限转速
- 11000
- r/min
- 重量
- 重量
- 160
- g
- 型号
- 型号
- 4205 ATN9
- -
SKF 4205ATN9相关型号
| SKF型号 | 品牌 | 内径(mm) | 外径(mm) | 厚度(mm) |
| 51305V/HR11T1 | SKF | 25 | 52 | 18 |
| 51305 | SKF | 25 | 52 | 18 |
| 2205E-2RS1TN9 | SKF | 25 | 52 | 18 |
| NUP2205ECP | SKF | 25 | 52 | 18 |
| NU2205ECP | SKF | 25 | 52 | 18 |
| C2205KV | SKF | 25 | 52 | 18 |
| 51305V/HR22T2 | SKF | 25 | 52 | 18 |
| 22205E/W64 | SKF | 25 | 52 | 18 |
| C2205V | SKF | 25 | 52 | 18 |
| 2205E-2RS1TN9/W64 | SKF | 25 | 52 | 18 |
| 22205EK | SKF | 25 | 52 | 18 |
| 22205E | SKF | 25 | 52 | 18 |
| 51305V/HR11Q1 | SKF | 25 | 52 | 18 |
| 2205EKTN9 | SKF | 25 | 52 | 18 |
| 2205E-2RS1TN9/W64 | SKF | 25 | 52 | 18 |
| 62205-2RS1/W64 | SKF | 25 | 52 | 18 |
| 62205-2RS1/W64 | SKF | 25 | 52 | 18 |
| 62205-2RS1 | SKF | 25 | 52 | 18 |
| 22205E/W64 | SKF | 25 | 52 | 18 |
| NJ2205ECP | SKF | 25 | 52 | 18 |






