SKF 850VAR尺寸参数
- 主要尺寸
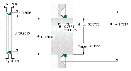
- d1从-到
- 830-875
- mm
- 从
- 785
- mm
- b1
- 14.3
- mm
- b
- 25
- mm
- c
- 15
- mm
- 说明
- 设计
- VR1/VA
- -
- 密封唇材料
- R
- -
- 型号
- 全球有效
- 850 VA R
- -
- 说明
- 北美市场
- 408500
- -
- **请核查供货情况
- -
SKF 850VAR相关型号
| SKF型号 | 品牌 | 内径(mm) | 外径(mm) | 厚度(mm) |
| 22310EK | SKF | |||
| 22x38x8HMS5V | SKF | |||
| PF35FM | SKF | |||
| 15677 | SKF | |||
| 61256 | SKF | |||
| 30x52x10HMS5V | SKF | |||
| 534952 | SKF | |||
| SNL3168L | SKF | |||
| OKTC565 | SKF | |||
| 23218CCK/W33 | SKF | |||
| FYT45TF/VA201 | SKF | |||
| 85X115X12HMS5V | SKF | |||
| SNL522-619 | SKF | |||
| 75X95X12HMSA10RG | SKF | |||
| 790VER | SKF | |||
| 145X180X12HMSA10V | SKF | |||
| 20X30X5CRS1R | SKF | |||
| SY65TF | SKF | |||
| 130VLR | SKF | |||
| 30x46x7HMSA10V | SKF |






