SKF 130VLR尺寸参数
- 主要尺寸
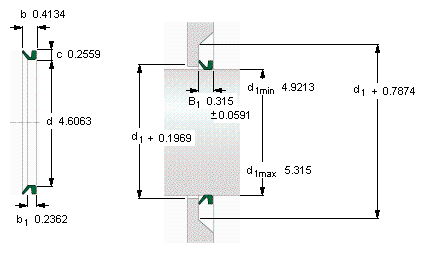
- d1从-到
- 125-135
- mm
- 从
- 117
- mm
- b1
- 6
- mm
- b
- 10.5
- mm
- c
- 6.5
- mm
- 说明
- 设计
- VR3/VL
- -
- 密封唇材料
- R
- -
- 型号
- 全球有效
- 130 VL R
- -
- 说明
- 北美市场
- 401302
- -
- **请核查供货情况
- -
SKF 130VLR相关型号
| SKF型号 | 品牌 | 内径(mm) | 外径(mm) | 厚度(mm) |
| 38x55x7HMSA10V | SKF | |||
| 10728 | SKF | |||
| SY1.3/16PF/AH | SKF | |||
| FYTJ50KF | SKF | |||
| OKBS70 | SKF | |||
| 24x37x7HMS5V | SKF | |||
| SONL224-524 | SKF | |||
| 145X180X12HMSA10V | SKF | |||
| 250X285X15HMS5V | SKF | |||
| 55X70X10HMS5RG | SKF | |||
| SNL3076/13.15/16FTURT | SKF | |||
| 45X100X10HMS5RG | SKF | |||
| 7474 | SKF | |||
| 45X62X8HMS5V | SKF | |||
| FSNL619TURU | SKF | |||
| 50X80X8HMS5RG | SKF | |||
| 45X60X8HMS5RG | SKF | |||
| 17726 | SKF | |||
| 18x32x7HMSA10V | SKF | |||
| 1250113 | SKF |






