SKF 75VSV尺寸参数
- 主要尺寸
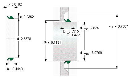
- d1从-到
- 73-78
- mm
- 从
- 67
- mm
- b1
- 11.3
- mm
- b
- 15.5
- mm
- c
- 6
- mm
- 说明
- 设计
- VR2/VS
- -
- 密封唇材料
- V
- -
- 型号
- 全球有效
- 75 VS V
- -
- 说明
- 北美市场
- 400755
- -
- **请核查供货情况
- -
SKF 75VSV相关型号
| SKF型号 | 品牌 | 内径(mm) | 外径(mm) | 厚度(mm) |
| SNL532 | SKF | |||
| SY1.1/4TF/AH | SKF | |||
| SNL3192L | SKF | |||
| 26204 | SKF | |||
| 27x43x7HMSA10V | SKF | |||
| 38.1x54.4x12.8TP | SKF | |||
| SNL3172GL | SKF | |||
| 77539 | SKF | |||
| SYH2.7/16TF | SKF | |||
| 52X80X10HMSA10RG | SKF | |||
| 320X380X28HDSA2RD | SKF | |||
| 22232CCK/W33 | SKF | |||
| FY1.1/4TR | SKF | |||
| 26X34X4HM4R | SKF | |||
| 28687 | SKF | |||
| 7473 | SKF | |||
| 532866 | SKF | |||
| 22317E | SKF | |||
| PDNB214 | SKF | |||
| YAR208-107-2F | SKF |






