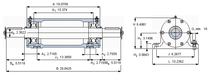
SKF PDNB214尺寸参数
- 主要尺寸
- db
- 60
- mm
- B
- 758
- mm
- H
- 165
- mm
- H1
- 80
- mm
- L
- 260
- mm
- 整体式轴承
- 浮动端轴承
- 6214
- -
- 固定端轴承
- 6214
- -
- 固定端轴承
- -
- 重量
- 重量
- 60500
- g
- 型号
- 轴承单元
- PDNB 214
- -
SKF PDNB214相关型号
| SKF型号 | 品牌 | 内径(mm) | 外径(mm) | 厚度(mm) |
| 807199 | SKF | |||
| 23234CCK/W33 | SKF | |||
| 18x30x7HMSA10V | SKF | |||
| SY1.TF | SKF | |||
| 60x110x10HMS5V | SKF | |||
| 17803 | SKF | |||
| SONL232-532 | SKF | |||
| SNL3072/13.7/16TURT | SKF | |||
| 170X200X15HMS5RG | SKF | |||
| 30x47x6HMS5RG | SKF | |||
| 32VSV | SKF | |||
| FY45TF/VA201 | SKF | |||
| SYH1.1/4TF/AH | SKF | |||
| MVR1-70 | SKF | |||
| 22216EK | SKF | |||
| 1650252 | SKF | |||
| FYT5/8TF | SKF | |||
| SYH1.5/16TF | SKF | |||
| 14942 | SKF | |||
| 38X80X8CRW1R | SKF |






