SKF轴承 > 单列角接触球轴承 > 7315BECBPH
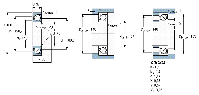
SKF 7315BECBPH尺寸参数
- 主要尺寸
- 7315 BECBPH *
- 75
- mm
- D
- 160
- mm
- B
- 37
- mm
- 基本额定载荷
- C
- 132000
- N
- 动载荷
- C0
- 104000
- N
- 静载荷
- 疲劳载荷极限
- Pu
- 4150
- N
- 额定转速
- 参考转速
- 5300
- r/min
- 极限转速
- 5300
- r/min
- 重量
- 重量
- 3060
- g
- 型号
- * SKF 探索者轴承
- 7315 BECBPH *
- -
SKF 7315BECBPH相关型号
| SKF型号 | 品牌 | 内径(mm) | 外径(mm) | 厚度(mm) |
| NU315ECM | SKF | 75 | 160 | 37 |
| 6315-2Z/VA208 | SKF | 75 | 160 | 37 |
| 7315BEP | SKF | 75 | 160 | 37 |
| NJ315ECJ | SKF | 75 | 160 | 37 |
| 6315-RS1 | SKF | 75 | 160 | 37 |
| 6315-2RS1/W64 | SKF | 75 | 160 | 37 |
| NU315ECP/VL0241 | SKF | 75 | 160 | 37 |
| 6315-Z/W64 | SKF | 75 | 160 | 37 |
| 6315-Z | SKF | 75 | 160 | 37 |
| 1315K | SKF | 75 | 160 | 37 |
| 6315N | SKF | 75 | 160 | 37 |
| 21315EK | SKF | 75 | 160 | 37 |
| NJ315ECM | SKF | 75 | 160 | 37 |
| 7315BEGAP | SKF | 75 | 160 | 37 |
| NUP315ECM | SKF | 75 | 160 | 37 |
| 21315E | SKF | 75 | 160 | 37 |
| NUP315ECML | SKF | 75 | 160 | 37 |
| NJ315ECML | SKF | 75 | 160 | 37 |
| 7315BECBY | SKF | 75 | 160 | 37 |
| 1315M | SKF | 75 | 160 | 37 |






