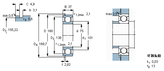
SKF 6315N尺寸参数
- 主要尺寸
- 6315 N *
- 75
- mm
- D
- 160
- mm
- B
- 37
- mm
- 基本额定载荷
- C
- 119000
- N
- 动载荷
- C0
- 76500
- N
- 静载荷
- 疲劳载荷极限
- Pu
- 3000
- N
- 额定转速
- 参考转速
- 9000
- r/min
- 极限转速
- 5600
- r/min
- 重量
- 重量
- 3000
- g
- 型号
- * SKF 探索者轴承
- 6315 N *
- -
- * SKF 探索者轴承
- SP 160
- -
SKF 6315N相关型号
| SKF型号 | 品牌 | 内径(mm) | 外径(mm) | 厚度(mm) |
| 6315NR | SKF | 75 | 160 | 37 |
| 21315E | SKF | 75 | 160 | 37 |
| 315-Z | SKF | 75 | 160 | 37 |
| 6315-RS1 | SKF | 75 | 160 | 37 |
| 6315/VA201 | SKF | 75 | 160 | 37 |
| 6315-Z/W64 | SKF | 75 | 160 | 37 |
| 6315-2RS1/W64 | SKF | 75 | 160 | 37 |
| N315ECM | SKF | 75 | 160 | 37 |
| 7315BEP | SKF | 75 | 160 | 37 |
| 6315-2Z/VA208 | SKF | 75 | 160 | 37 |
| 6315-2RS1 | SKF | 75 | 160 | 37 |
| 6315-2RS1/W64 | SKF | 75 | 160 | 37 |
| NU315ECML | SKF | 75 | 160 | 37 |
| NJ315ECP | SKF | 75 | 160 | 37 |
| NU315ECP | SKF | 75 | 160 | 37 |
| 6315N | SKF | 75 | 160 | 37 |
| NUP315ECM | SKF | 75 | 160 | 37 |
| N315ECP | SKF | 75 | 160 | 37 |
| 6315/VA201 | SKF | 75 | 160 | 37 |
| E2.6315-2Z/C3 | SKF | 75 | 160 | 37 |






