SKF 6211尺寸参数
- 主要尺寸
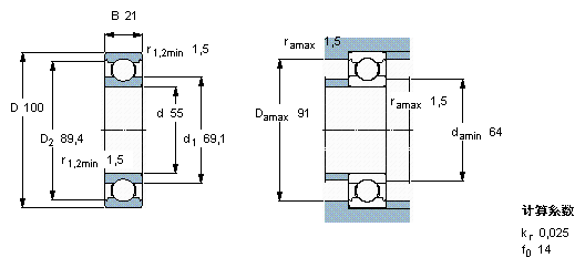
- 6211 *
- 55
- mm
- D
- 100
- mm
- B
- 21
- mm
- 基本额定载荷
- C
- 46200
- N
- 动载荷
- C0
- 29000
- N
- 静载荷
- 疲劳载荷极限
- Pu
- 1250
- N
- 额定转速
- 参考转速
- 14000
- r/min
- 极限转速
- 9000
- r/min
- 重量
- 重量
- 610
- g
- 型号
- * SKF 探索者轴承
- 6211 *
- -
SKF 6211相关型号
| SKF型号 | 品牌 | 内径(mm) | 外径(mm) | 厚度(mm) |
| NU211ECP | SKF | 55 | 100 | 21 |
| 211-2ZNR | SKF | 55 | 100 | 21 |
| 6211-2Z/VA201 | SKF | 55 | 100 | 21 |
| 7211CD/HCP4A | SKF | 55 | 100 | 21 |
| 7211CD/P4A | SKF | 55 | 100 | 21 |
| 7211BECBM | SKF | 55 | 100 | 21 |
| 6211/HR22T2 | SKF | 55 | 100 | 21 |
| 6211-2RS1/W64 | SKF | 55 | 100 | 21 |
| 6211-2Z/VA208 | SKF | 55 | 100 | 21 |
| NJ211ECJ | SKF | 55 | 100 | 21 |
| NU211ECJ | SKF | 55 | 100 | 21 |
| NUP211ECM | SKF | 55 | 100 | 21 |
| 6211 | SKF | 55 | 100 | 21 |
| 6211-2Z/VA208 | SKF | 55 | 100 | 21 |
| NJ211ECP | SKF | 55 | 100 | 21 |
| 1726211-2RS1 | SKF | 55 | 100 | 21 |
| 7211BECBP | SKF | 55 | 100 | 21 |
| 7211BEGBY | SKF | 55 | 100 | 21 |
| 211-2Z | SKF | 55 | 100 | 21 |
| 6211/W64 | SKF | 55 | 100 | 21 |






