SKF 7211BEGBY尺寸参数
- 主要尺寸
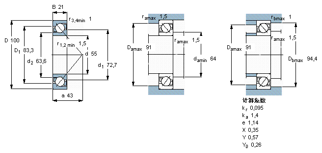
- 7211 BEGBY
- 55
- mm
 
- D
- 100
- mm
 
- B
- 21
- mm
 
- 基本额定载荷
- C
- 48800
- N
- 动载荷
 
- C0
- 38000
- N
- 静载荷
 
- 疲劳载荷极限
- Pu
- 1630
- N
 
- 额定转速
- 参考转速
- 7500
- r/min
 
- 极限转速
- 7500
- r/min
 
- 重量
- 重量
- 620
- g
 
- 型号
- * SKF 探索者轴承
- 7211 BEGBY
- -
 
SKF  7211BEGBY相关型号
| SKF型号 | 品牌 | 内径(mm) | 外径(mm) | 厚度(mm) | 
| N211ECP | SKF | 55 | 100 | 21 | 
| NF211ECMB | SKF | 55 | 100 | 21 | 
| S7211CD/P4A | SKF | 55 | 100 | 21 | 
| NU211ECM | SKF | 55 | 100 | 21 | 
| 211-ZNR | SKF | 55 | 100 | 21 | 
| 7211CD/P4A | SKF | 55 | 100 | 21 | 
| NUP211ECP | SKF | 55 | 100 | 21 | 
| 6211-RS1 | SKF | 55 | 100 | 21 | 
| 6211-2ZNR | SKF | 55 | 100 | 21 | 
| 7211BEGAP | SKF | 55 | 100 | 21 | 
| NJ211ECJ | SKF | 55 | 100 | 21 | 
| 6211/VA201 | SKF | 55 | 100 | 21 | 
| QJ211MA | SKF | 55 | 100 | 21 | 
| 6211-2RS1/W64 | SKF | 55 | 100 | 21 | 
| 1726211-2RS1 | SKF | 55 | 100 | 21 | 
| NUP211ECML | SKF | 55 | 100 | 21 | 
| NU211ECML | SKF | 55 | 100 | 21 | 
| 1211EKTN9 | SKF | 55 | 100 | 21 | 
| 6211-ZNR | SKF | 55 | 100 | 21 | 
| 7211CD/HCP4A | SKF | 55 | 100 | 21 | 






 
					