SKF 6211-2RS1尺寸参数
- 主要尺寸
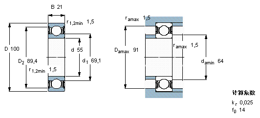
- 6211-2RS1 *
- 55
- mm
- D
- 100
- mm
- B
- 21
- mm
- 基本额定载荷
- C
- 46200
- N
- 动载荷
- C0
- 29000
- N
- 静载荷
- 疲劳载荷极限
- Pu
- 1250
- N
- 额定转速
- 参考转速
- -
- r/min
- 极限转速
- 4300
- r/min
- 重量
- 重量
- 610
- g
- 型号
- * SKF 探索者轴承
- 6211-2RS1 *
- -
SKF 6211-2RS1相关型号
| SKF型号 | 品牌 | 内径(mm) | 外径(mm) | 厚度(mm) |
| 6211-2RS1/HC5C3WT | SKF | 55 | 100 | 21 |
| 6211/VA201 | SKF | 55 | 100 | 21 |
| 7211BECBJ | SKF | 55 | 100 | 21 |
| 6211/HR11QN | SKF | 55 | 100 | 21 |
| N211ECM | SKF | 55 | 100 | 21 |
| 6211-2Z | SKF | 55 | 100 | 21 |
| 6211-2Z/VA208 | SKF | 55 | 100 | 21 |
| 6211-2ZNR | SKF | 55 | 100 | 21 |
| 211 | SKF | 55 | 100 | 21 |
| 211-ZNR | SKF | 55 | 100 | 21 |
| 6211-2Z/VA228 | SKF | 55 | 100 | 21 |
| NU211ECJ | SKF | 55 | 100 | 21 |
| 7211BECBY | SKF | 55 | 100 | 21 |
| N211ECP | SKF | 55 | 100 | 21 |
| NJ211ECML | SKF | 55 | 100 | 21 |
| 7211CD/P4A | SKF | 55 | 100 | 21 |
| 7211ACD/HCP4A | SKF | 55 | 100 | 21 |
| 7211BECBM | SKF | 55 | 100 | 21 |
| NUP211ECML | SKF | 55 | 100 | 21 |
| 1211EKTN9 | SKF | 55 | 100 | 21 |






