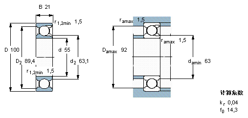
SKF 211尺寸参数
- 主要尺寸
- 211
- 55
- mm
- D
- 100
- mm
- B
- 21
- mm
- 基本额定载荷
- C
- 48400
- N
- 动载荷
- C0
- 44000
- N
- 静载荷
- 疲劳载荷极限
- Pu
- 1860
- N
- 额定转速
- 参考转速
- 12000
- r/min
- 极限转速
- 7500
- r/min
- 重量
- 重量
- 660
- g
- 型号
- 型号
- 211
- -
SKF 211相关型号
| SKF型号 | 品牌 | 内径(mm) | 外径(mm) | 厚度(mm) |
| 6211/HR22Q2 | SKF | 55 | 100 | 21 |
| NJ211ECJ | SKF | 55 | 100 | 21 |
| NU211ECKJ | SKF | 55 | 100 | 21 |
| 6211-2Z/VA208 | SKF | 55 | 100 | 21 |
| NUP211ECP | SKF | 55 | 100 | 21 |
| 6211-2Z | SKF | 55 | 100 | 21 |
| 6211/HR22T2 | SKF | 55 | 100 | 21 |
| NU211ECJ | SKF | 55 | 100 | 21 |
| NJ211ECP | SKF | 55 | 100 | 21 |
| 6211-2RS1/HC5C3WT | SKF | 55 | 100 | 21 |
| 6211-Z/W64 | SKF | 55 | 100 | 21 |
| NF211ECMB | SKF | 55 | 100 | 21 |
| 6211NR | SKF | 55 | 100 | 21 |
| NUP211ECM | SKF | 55 | 100 | 21 |
| QJ211MA | SKF | 55 | 100 | 21 |
| 6211/W64 | SKF | 55 | 100 | 21 |
| NUP211ECML | SKF | 55 | 100 | 21 |
| 6211N | SKF | 55 | 100 | 21 |
| 7211BEP | SKF | 55 | 100 | 21 |
| NUP211ECJ | SKF | 55 | 100 | 21 |






