SKF轴承 > 单列混合陶瓷深沟球轴承 > 6208-2RZTN9/HC5C3WT
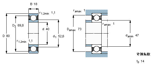
SKF 6208-2RZTN9/HC5C3WT尺寸参数
- 主要尺寸
- d
- 40
- mm
- D
- 80
- mm
- B
- 18
- mm
- 基本额定载荷
- C
- 32500
- N
- 动载荷
- C0
- 19000
- N
- 静载荷
- 疲劳载荷极限
- Pu
- 800
- N
- 额定转速
- 参考转速
- 24000
- r/min
- 极限转速
- 16000
- r/min
- 重量
- 重量
- 340
- g
- 型号
- 型号
- 6208-2RZTN9/HC5C3WT
- -
SKF 6208-2RZTN9/HC5C3WT相关型号
| SKF型号 | 品牌 | 内径(mm) | 外径(mm) | 厚度(mm) |
| 208-Z | SKF | 40 | 80 | 18 |
| NU208ECP | SKF | 40 | 80 | 18 |
| 7208BEGBY | SKF | 40 | 80 | 18 |
| 7208BECBJ | SKF | 40 | 80 | 18 |
| BMB-6208/080S2/UB008A | SKF | 40 | 80 | 18 |
| W6208 | SKF | 40 | 80 | 18 |
| 6208-Z/W64 | SKF | 40 | 80 | 18 |
| BSA208C | SKF | 40 | 80 | 18 |
| 7208CD/HCP4A | SKF | 40 | 80 | 18 |
| 6208-2RS1/W64 | SKF | 40 | 80 | 18 |
| 208-2ZNR | SKF | 40 | 80 | 18 |
| 6208-2Z/VA201 | SKF | 40 | 80 | 18 |
| QJ208N2MA | SKF | 40 | 80 | 18 |
| 208-ZNR | SKF | 40 | 80 | 18 |
| S7208ACD/P4A | SKF | 40 | 80 | 18 |
| BMB-6208/080S2/UB108A | SKF | 40 | 80 | 18 |
| 6208ETN9 | SKF | 40 | 80 | 18 |
| 6208-2RZ | SKF | 40 | 80 | 18 |
| 6208/W64 | SKF | 40 | 80 | 18 |
| 6208/HR22Q2 | SKF | 40 | 80 | 18 |






