SKF 208-2ZNR尺寸参数
- 主要尺寸
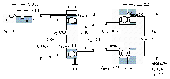
- 208-2ZNR
- 40
- mm
- D
- 80
- mm
- B
- 18
- mm
- 基本额定载荷
- C
- 33600
- N
- 动载荷
- C0
- 26500
- N
- 静载荷
- 疲劳载荷极限
- Pu
- 1120
- N
- 额定转速
- 参考转速
- 15000
- r/min
- 极限转速
- 7500
- r/min
- 重量
- 重量
- 390
- g
- 型号
- 带开口环的轴承
- 208-2ZNR
- -
- 开口环
- SP 80
- -
SKF 208-2ZNR相关型号
| SKF型号 | 品牌 | 内径(mm) | 外径(mm) | 厚度(mm) |
| 6208/HR11TN | SKF | 40 | 80 | 18 |
| NU208ECM | SKF | 40 | 80 | 18 |
| E2.6208-2Z/C3 | SKF | 40 | 80 | 18 |
| 208NR | SKF | 40 | 80 | 18 |
| 6208/HR22T2 | SKF | 40 | 80 | 18 |
| 7208CD/HCP4A | SKF | 40 | 80 | 18 |
| 6208-2RZTN9/HC5C3WT | SKF | 40 | 80 | 18 |
| NJ208ECJ | SKF | 40 | 80 | 18 |
| 6208-2ZNR | SKF | 40 | 80 | 18 |
| 6208NR | SKF | 40 | 80 | 18 |
| NU208ECKP | SKF | 40 | 80 | 18 |
| 6208-2Z/VA208 | SKF | 40 | 80 | 18 |
| NJ208ECP | SKF | 40 | 80 | 18 |
| W6208-2RS1 | SKF | 40 | 80 | 18 |
| BMB-6208/080S2/UB008A | SKF | 40 | 80 | 18 |
| 208-2ZNR | SKF | 40 | 80 | 18 |
| S7208ACD/P4A | SKF | 40 | 80 | 18 |
| 6208-2Z/VA201 | SKF | 40 | 80 | 18 |
| N208ECMB | SKF | 40 | 80 | 18 |
| 7208BEM | SKF | 40 | 80 | 18 |






