SKF 6019-Z尺寸参数
- 主要尺寸
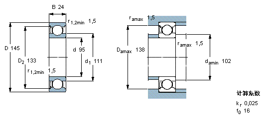
- 6019-Z *
- 95
- mm
- D
- 145
- mm
- B
- 24
- mm
- 基本额定载荷
- C
- 63700
- N
- 动载荷
- C0
- 54000
- N
- 静载荷
- 疲劳载荷极限
- Pu
- 2080
- N
- 额定转速
- 参考转速
- 9500
- r/min
- 极限转速
- 6000
- r/min
- 重量
- 重量
- 1200
- g
- 型号
- * SKF 探索者轴承
- 6019-Z *
- -
SKF 6019-Z相关型号
| SKF型号 | 品牌 | 内径(mm) | 外径(mm) | 厚度(mm) |
| S7019ACD/HCP4A | SKF | 95 | 145 | 24 |
| S7019ACE/HCP4A | SKF | 95 | 145 | 24 |
| 7019CD/P4A | SKF | 95 | 145 | 24 |
| 7019CB/P4AL | SKF | 95 | 145 | 24 |
| 7019ACE/HCP4AL | SKF | 95 | 145 | 24 |
| NU1019ML | SKF | 95 | 145 | 24 |
| 6019 | SKF | 95 | 145 | 24 |
| 7019CD/P4AH1 | SKF | 95 | 145 | 24 |
| 7019ACB/P4A | SKF | 95 | 145 | 24 |
| 6019-2RS1 | SKF | 95 | 145 | 24 |
| N1019KTN9/HC5SP | SKF | 95 | 145 | 24 |
| 7019ACD/HCP4AL | SKF | 95 | 145 | 24 |
| N1019KTNHA/HC5SP | SKF | 95 | 145 | 24 |
| 7019CD/P4AL | SKF | 95 | 145 | 24 |
| 7019CD/HCP4A | SKF | 95 | 145 | 24 |
| 7019CB/P4A | SKF | 95 | 145 | 24 |
| 7019CE/HCP4AL | SKF | 95 | 145 | 24 |
| 6019-2RS1/W64 | SKF | 95 | 145 | 24 |
| 7019ACE/P4AL1 | SKF | 95 | 145 | 24 |
| 6019/W64 | SKF | 95 | 145 | 24 |






