SKF 250VAR尺寸参数
- 主要尺寸
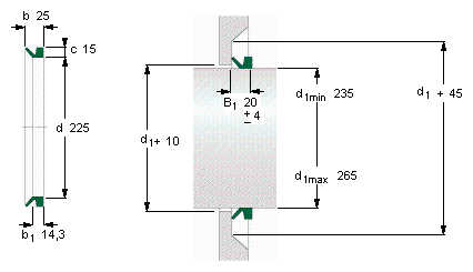
- d1从-到
- 235-265
- mm
- 从
- 225
- mm
- b1
- 14.3
- mm
- b
- 25
- mm
- c
- 15
- mm
- 说明
- 设计
- VR1/VA
- -
- 密封唇材料
- R
- -
- 型号
- 全球有效
- 250 VA R
- -
- 说明
- 北美市场
- 402500
- -
- **请核查供货情况
- -
SKF 250VAR相关型号
| SKF型号 | 品牌 | 内径(mm) | 外径(mm) | 厚度(mm) |
| OKBS72 | SKF | |||
| 7512 | SKF | |||
| SYE1.3/4H-18 | SKF | |||
| FY3/4TF/AH | SKF | |||
| FYT3/4TF/VA201 | SKF | |||
| 110X130X12HMSA10V | SKF | |||
| 60X85X10HMS5RG | SKF | |||
| 160VLR | SKF | |||
| 640VER | SKF | |||
| PF30RM | SKF | |||
| 525033 | SKF | |||
| 22218E | SKF | |||
| 24914 | SKF | |||
| 55X70X10HMS5V | SKF | |||
| SYH1.5/8TF/AH | SKF | |||
| YEL209-2F | SKF | |||
| 16168 | SKF | |||
| 90X120X12HMS5V | SKF | |||
| 50X70X10HMS5V | SKF | |||
| SY35TF/VA201 | SKF |






