SKF 160VLR尺寸参数
- 主要尺寸
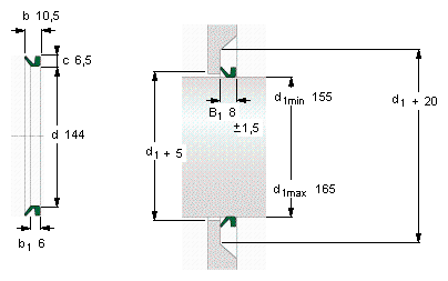
- d1从-到
- 155-165
- mm
- 从
- 144
- mm
- b1
- 6
- mm
- b
- 10.5
- mm
- c
- 6.5
- mm
- 说明
- 设计
- VR3/VL
- -
- 密封唇材料
- R
- -
- 型号
- 全球有效
- 160 VL R
- -
- 说明
- 北美市场
- 401602
- -
- **请核查供货情况
- -
SKF 160VLR相关型号
| SKF型号 | 品牌 | 内径(mm) | 外径(mm) | 厚度(mm) |
| 730VER | SKF | |||
| 41126 | SKF | |||
| 24x42x8HMSA10RG | SKF | |||
| 90X110X10HMSA10RG | SKF | |||
| FYM1.11/16TF/AH | SKF | |||
| SYE1.7/16NH | SKF | |||
| 25x37x5HMSA10V | SKF | |||
| SYNT60FW | SKF | |||
| 1100112 | SKF | |||
| 15X25X7CRW1P | SKF | |||
| SYR2.3/16-3 | SKF | |||
| YET203-008 | SKF | |||
| 230X260X15HMSA10RG | SKF | |||
| 17406 | SKF | |||
| FSNL519-616 | SKF | |||
| 70X90X10HMS5RG | SKF | |||
| PFT20FM | SKF | |||
| 2000VRMR | SKF | |||
| PFD15FM | SKF | |||
| 35x58x10HMSA10V | SKF |






