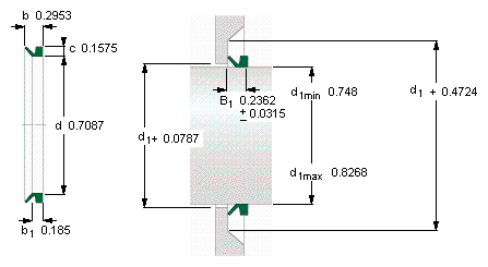
SKF 20VAV尺寸参数
- 主要尺寸
- d1从-到
- 19-21
- mm
- 从
- 18
- mm
- b1
- 4.7
- mm
- b
- 7.5
- mm
- c
- 4
- mm
- 说明
- 设计
- VR1/VA
- -
- 密封唇材料
- V
- -
- 型号
- 全球有效
- 20 VA V
- -
- 说明
- 北美市场
- 400204
- -
- **请核查供货情况
- -
SKF 20VAV相关型号
| SKF型号 | 品牌 | 内径(mm) | 外径(mm) | 厚度(mm) |
| 42592 | SKF | |||
| 55X78X12HMSA10V | SKF | |||
| 22330CC/W33 | SKF | |||
| 375VLV | SKF | |||
| 1950540 | SKF | |||
| SYNT80LW | SKF | |||
| 1400VRMR | SKF | |||
| OKC900 | SKF | |||
| 1000250 | SKF | |||
| 25x72x7HMS5RG | SKF | |||
| 50186 | SKF | |||
| 30x40x7HMS5RG | SKF | |||
| 85002 | SKF | |||
| 760VER | SKF | |||
| PDNB224 | SKF | |||
| 15160 | SKF | |||
| OKC580 | SKF | |||
| 32347 | SKF | |||
| SY1.15/16TF/AH | SKF | |||
| 2600332 | SKF |






