SKF轴承 > 用偏心锁定环的 Y 型轴承 > YET203-008
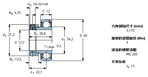
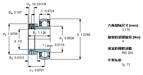
SKF YET203-008尺寸参数
- 主要尺寸
- YET 203-008
- 12.7
- mm
- D
- 40
- mm
- B1(B)
- 28.6
- mm
- C
- 12
- mm
- 基本额定载荷
- C
- 9560
- N
- 动载荷
- C0
- 4750
- N
- 静载荷
- 疲劳载荷极限
- Pu
- 200
- N
- 极限转速
- 带h6轴公差
- 9500
- r/min
- 重量
- 重量
- 130
- g
- 型号
- 型号
- YET 203-008
- -
SKF YET203-008相关型号
| SKF型号 | 品牌 | 内径(mm) | 外径(mm) | 厚度(mm) |
| YET203-008 | SKF | 12.7 | 40 | 28.6 |






