SKF 8VAV尺寸参数
- 主要尺寸
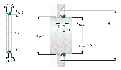
- d1从-到
- 8-9.5
- mm
- 从
- 7
- mm
- b1
- 2.4
- mm
- b
- 3.7
- mm
- c
- 2
- mm
- 说明
- 设计
- VR1/VA
- -
- 密封唇材料
- V
- -
- 型号
- 全球有效
- 8 VA V
- -
- 说明
- 北美市场
- 400084
- -
- **请核查供货情况
- -
SKF 8VAV相关型号
| SKF型号 | 品牌 | 内径(mm) | 外径(mm) | 厚度(mm) |
| 15X25X7CRW1P | SKF | |||
| 86641 | SKF | |||
| C2218K | SKF | |||
| 280X330X24HDS1R | SKF | |||
| 360X400X18HDS1V | SKF | |||
| 95x110x12HMSA10V | SKF | |||
| SNL522-619 | SKF | |||
| 25x35x7HMS5V | SKF | |||
| 12x22x5HMSA10V | SKF | |||
| 1850VER | SKF | |||
| 17x32x7HMSA10RG | SKF | |||
| 95VSV | SKF | |||
| 28x52x7HMS5V | SKF | |||
| SY35WF | SKF | |||
| 13435 | SKF | |||
| 16889 | SKF | |||
| 40X62X8HMS5RG | SKF | |||
| 1550VRMER | SKF | |||
| 39996 | SKF | |||
| FY1.1/8TF/AH | SKF |






