SKF 170VSV尺寸参数
- 主要尺寸
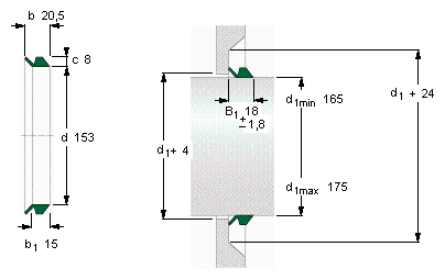
- d1从-到
- 165-175
- mm
- 从
- 153
- mm
- b1
- 15
- mm
- b
- 20.5
- mm
- c
- 8
- mm
- 说明
- 设计
- VR2/VS
- -
- 密封唇材料
- V
- -
- 型号
- 全球有效
- 170 VS V
- -
- 说明
- 北美市场
- 401705
- -
- **请核查供货情况
- -
SKF 170VSV相关型号
| SKF型号 | 品牌 | 内径(mm) | 外径(mm) | 厚度(mm) |
| 28x42x8HMS5RG | SKF | |||
| PFD17RM | SKF | |||
| 95VAR | SKF | |||
| PF7/8WF | SKF | |||
| SY1.TF | SKF | |||
| 33711 | SKF | |||
| HCRE030R | SKF | |||
| 22330CCK/W33 | SKF | |||
| SNL532 | SKF | |||
| 3295343 | SKF | |||
| 30x55x10HMSA10RG | SKF | |||
| TUL1.1/2TH | SKF | |||
| 23252CCK/W33 | SKF | |||
| 90X130X12CRW1R | SKF | |||
| 48X70X9CRSA1R | SKF | |||
| FYJ65KF | SKF | |||
| FSYE3.1/2-18 | SKF | |||
| 40VAR | SKF | |||
| 27577 | SKF | |||
| 35X78X8CRW1R | SKF |






