SKF轴承 > 用偏心锁定环的 Y 型轴承 > YET207-106
SKF YET207-106尺寸参数
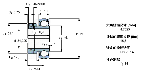
- 主要尺寸
- YET 207-106
- 34.925
- mm
- D
- 72
- mm
- B1(B)
- 38.9
- mm
- C
- 19
- mm
- 基本额定载荷
- C
- 25500
- N
- 动载荷
- C0
- 15300
- N
- 静载荷
- 疲劳载荷极限
- Pu
- 655
- N
- 极限转速
- 带h6轴公差
- 5300
- r/min
- 重量
- 重量
- 480
- g
- 型号
- 型号
- YET 207-106
- -
SKF YET207-106相关型号
| SKF型号 | 品牌 | 内径(mm) | 外径(mm) | 厚度(mm) |
| YET207-106 | SKF | 34.925 | 72 | 38.9 |






