SKF轴承 > 用偏心锁定环的 Y 型轴承 > YEL205-100-2FCW
SKF YEL205-100-2FCW尺寸参数
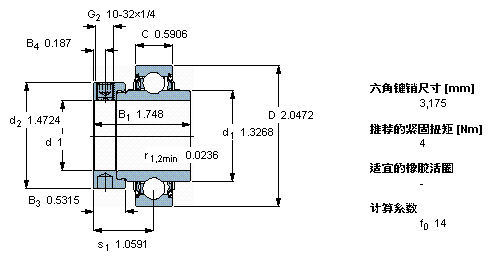
- 主要尺寸
- YEL 205-100-2FCW
- 25.4
- mm
- D
- 52
- mm
- B1(B)
- 44.4
- mm
- C
- 15
- mm
- 基本额定载荷
- C
- 14000
- N
- 动载荷
- C0
- 7800
- N
- 静载荷
- 疲劳载荷极限
- Pu
- 335
- N
- 极限转速
- 带h6轴公差
- 7000
- r/min
- 重量
- 重量
- 220
- g
- 型号
- 型号
- YEL 205-100-2FCW
- -
SKF YEL205-100-2FCW相关型号
| SKF型号 | 品牌 | 内径(mm) | 外径(mm) | 厚度(mm) |
| YEL205-100-2F | SKF | 25.4 | 52 | 44.4 |
| YEL205-100-2FCW | SKF | 25.4 | 52 | 44.4 |






