SKF轴承 > 带沉头螺钉的 Y 型轴承 > YAT205

SKF YAT205尺寸参数

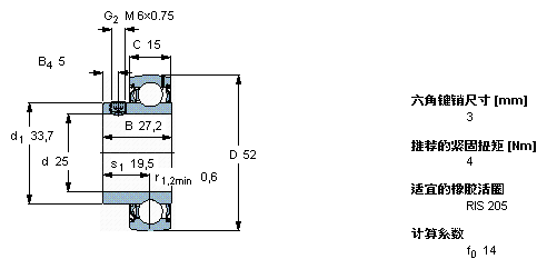
型号:YAT205
品牌:SKF
系列:带沉头螺钉的 Y 型轴承
内径:25 mm
外径:52 mm
宽度:27.2 mm
起订量:≥ 1套
物流:全国配送

SKF YAT205现货供应商

我们是SKF品牌最佳代理商,与SKF厂家常年批量订购YAT205,所售产品均为原装正品,请您放心购买!

主要尺寸
  • YAT 205
  • 25
  • mm
  • D
  • 52
  • mm
  • B
  • 27.2
  • mm
  • C
  • 15
  • mm
基本额定载荷
  • C
  • 14000
  • N
  • 动载荷
  • C0
  • 7800
  • N
  • 静载荷
疲劳载荷极限
  • Pu
  • 335
  • N
极限转速
  • 带h6轴公差
  • 7000
  • r/min
重量
  • 重量
  • 140
  • g
型号
  • 型号
  • YAT 205
  • -
共 2 张 第1 张上一张 1下一张
共 2 张 第2 张上一张 2下一张
SKF  YAT205相关型号
SKF型号品牌内径(mm)外径(mm)厚度(mm)
YAT205 SKF 25 52 27.2