SKF轴承 > 带沉头螺钉的 Y 型轴承 > YAR211-203-2F
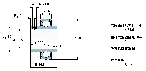
SKF YAR211-203-2F尺寸参数
- 主要尺寸
- YAR 211-203-2F
- 55.563
- mm
- D
- 100
- mm
- B
- 55.6
- mm
- C
- 25
- mm
- 基本额定载荷
- C
- 43600
- N
- 动载荷
- C0
- 29000
- N
- 静载荷
- 疲劳载荷极限
- Pu
- 1250
- N
- 极限转速
- 带h6轴公差
- 3600
- r/min
- 重量
- 重量
- 920
- g
- 型号
- 型号
- YAR 211-203-2F
- -
SKF YAR211-203-2F相关型号
| SKF型号 | 品牌 | 内径(mm) | 外径(mm) | 厚度(mm) |
| YAR211-203-2FW/VA228 | SKF | 55.563 | 100 | 55.6 |
| YAR211-203-2FW/VA201 | SKF | 55.563 | 100 | 55.6 |
| YAR211-203-2F/AH | SKF | 55.563 | 100 | 55.6 |
| YAR211-203-2F | SKF | 55.563 | 100 | 55.6 |






