SKF轴承 > 带沉头螺钉的 Y 型轴承 > YAR209-112-2F/AH
SKF YAR209-112-2F/AH尺寸参数
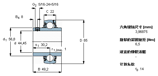
- 主要尺寸
- YAR 209-112-2F/AH
- 44.45
- mm
- D
- 85
- mm
- B
- 49.2
- mm
- C
- 22
- mm
- 基本额定载荷
- C
- 33200
- N
- 动载荷
- C0
- 21600
- N
- 静载荷
- 疲劳载荷极限
- Pu
- 915
- N
- 极限转速
- 带h6轴公差
- 4300
- r/min
- 重量
- 重量
- 600
- g
- 型号
- 型号
- YAR 209-112-2F/AH
- -
SKF YAR209-112-2F/AH相关型号
| SKF型号 | 品牌 | 内径(mm) | 外径(mm) | 厚度(mm) |
| YAR209-112-2FW/VA228 | SKF | 44.45 | 85 | 49.2 |
| YAR209-112-2RF | SKF | 44.45 | 85 | 49.2 |
| YAR209-112-2F | SKF | 44.45 | 85 | 49.2 |
| YAR209-112-2FW/VA201 | SKF | 44.45 | 85 | 49.2 |
| YAR209-112-2F/AH | SKF | 44.45 | 85 | 49.2 |






