SKF轴承 > 带沉头螺钉的 Y 型轴承 > YAR207-106-2F
SKF YAR207-106-2F尺寸参数
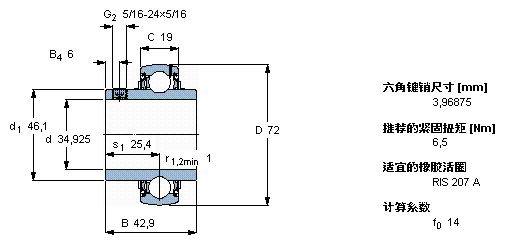
- 主要尺寸
- YAR 207-106-2F
- 34.925
- mm
- D
- 72
- mm
- B
- 42.9
- mm
- C
- 19
- mm
- 基本额定载荷
- C
- 25500
- N
- 动载荷
- C0
- 15300
- N
- 静载荷
- 疲劳载荷极限
- Pu
- 655
- N
- 极限转速
- 带h6轴公差
- 5300
- r/min
- 重量
- 重量
- 410
- g
- 型号
- 型号
- YAR 207-106-2F
- -
SKF YAR207-106-2F相关型号
| SKF型号 | 品牌 | 内径(mm) | 外径(mm) | 厚度(mm) |
| YAR207-106-2F | SKF | 34.925 | 72 | 42.9 |
| YAR207-106-2F/AH | SKF | 34.925 | 72 | 42.9 |
| YAR207-106-2RF/HV | SKF | 34.925 | 72 | 42.9 |






