SKF轴承 > 带沉头螺钉的 Y 型轴承 > YAR206-104-2F/AH
SKF YAR206-104-2F/AH尺寸参数
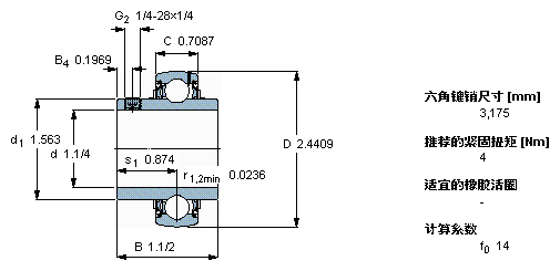
- 主要尺寸
- YAR 206-104-2F/AH
- 31.75
- mm
- D
- 62
- mm
- B
- 38.1
- mm
- C
- 18
- mm
- 基本额定载荷
- C
- 19500
- N
- 动载荷
- C0
- 11200
- N
- 静载荷
- 疲劳载荷极限
- Pu
- 475
- N
- 极限转速
- 带h6轴公差
- 6300
- r/min
- 重量
- 重量
- 280
- g
- 型号
- 型号
- YAR 206-104-2F/AH
- -
SKF YAR206-104-2F/AH相关型号
| SKF型号 | 品牌 | 内径(mm) | 外径(mm) | 厚度(mm) |
| YAR206-104-2F | SKF | 31.75 | 62 | 38.1 |
| YAR206-104-2F/AH | SKF | 31.75 | 62 | 38.1 |






