SKF YAR205-2F尺寸参数
- 主要尺寸
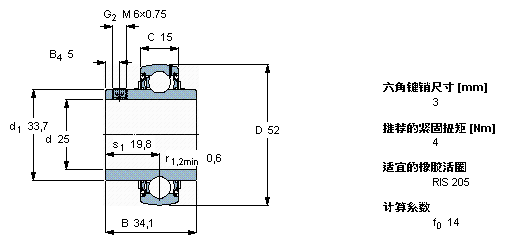
- YAR 205-2F
- 25
- mm
- D
- 52
- mm
- B
- 34.1
- mm
- C
- 15
- mm
- 基本额定载荷
- C
- 14000
- N
- 动载荷
- C0
- 7800
- N
- 静载荷
- 疲劳载荷极限
- Pu
- 335
- N
- 极限转速
- 带h6轴公差
- 7000
- r/min
- 重量
- 重量
- 170
- g
- 型号
- 型号
- YAR 205-2F
- -
SKF YAR205-2F相关型号
| SKF型号 | 品牌 | 内径(mm) | 外径(mm) | 厚度(mm) |
| YAR205-2FW/VA201 | SKF | 25 | 52 | 34.1 |
| YAR205-2FW/VA228 | SKF | 25 | 52 | 34.1 |
| YAR205-2RF | SKF | 25 | 52 | 34.1 |
| YAR205-2RF/W64 | SKF | 25 | 52 | 34.1 |
| YAR205-2F | SKF | 25 | 52 | 34.1 |
| YAR205-2RF/HV | SKF | 25 | 52 | 34.1 |
| YAR205-2RF/VE495 | SKF | 25 | 52 | 34.1 |






